- 首頁
-
返回(huí)
産(chǎn)品詳情

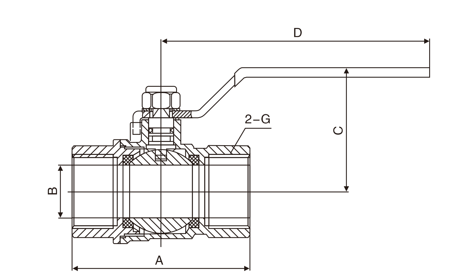
主要外形(xing)尺寸
DN(mm) | NPS(in) | A | B | C | D | G |
15 | 1/2 | 52.8 | 14 | 41 | 98 | 1/2 |
20 | 3/4 | 63 | 19 | 44.5 | 98 | 3/4 |
25 | 1 | 72 | 23.5 | 55 | 110 | 1 |
32 | 11/4 | 80 | 30 | 61 | 140 | 11/4 |
40 | 11/2 | 90.6 | 37 | 66 | 140 | 11/2 |
50 | 2 | 106 | 46.5 | 75 | 155 | 2 |
65 | 21/2 | 132.4 | 56 | 92 | 190 | 21/2 |
80 | 3 | 151 | 68.5 | 106 | 230 | 3 |
100 | 4 | 190.5 | 85 | 117.5 | 230 | 4 |
産品推薦

Copyright © 2022-2023 南京(jīng)博高閥門有限公(gōng)司 版權所有
京ICP證(zhèng)000000号
蘇公網安備 32010202011315号(hao)
蘇公網安備 32010202011315号(hao) 網站建設: 豐盛科(ke)技


