産品(pin)概述
消(xiāo)防對夾(jiá)蝶閥是(shi)引進國(guo)外先進(jìn)技術而(ér)自行開(kai)發的中(zhōng)線🐇型✌️蝶(die)閥,它具(ju)有結構(gou)簡單,密(mì)封可靠(kao),開啓輕(qīng)便、壽命(mìng)長、維護(hu)方便等(deng)優點。故(gu)被廣泛(fàn)地應用(yòng)于給排(pai)水、建ԅ结衣波多野❌快播🚩83;♀️築(zhù)消防等(deng)系統各(ge)種管道(dào)上,尤其(qí)在消防(fáng)管路中(zhōng)。本信号(hao)閥可明(ming)白無誤(wu)的顯示(shì)出閥門(mén)開關狀(zhuàng)👈态,具有(you)直觀、清(qīng)晰、可靠(kao)的反映(yìng)出消防(fang)系統中(zhōng)的工🔱作(zuo)狀态,所(suǒ)以廣泛(fan)、大量的(de)适用于(yu)消防系(xi)統中。
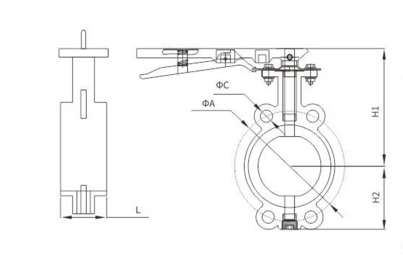
主要外(wai)形連接(jiē)尺寸
|
型(xing)号Model |
DN |
ΦA-ΦC |
L |
H1 |
H2 |
|
ZSDF 7-Q-50-D71X |
50 |
110-16 125-16 |
42 |
163 |
70 |
|
ZSDF 7-Q-65-D71X |
65 |
145-18 |
44 |
168 |
75 |
|
ZSDF 7-Q-80-D71X |
80 |
160-18 |
46 |
177 |
90 |
|
ZSDF 7-Q-100-D71X |
100 |
180-20 |
52 |
192 |
105 |
|
ZSDF 7-Q-125-D71X |
125 |
210-24 |
51 |
205 |
115 |
|
ZSDF 7-Q-150-D71X |
150 |
240-25 |
55 |
219 |
131 |
蘇公(gong)網安備(bei) 32010202011315号
· ›